Código: 0662118
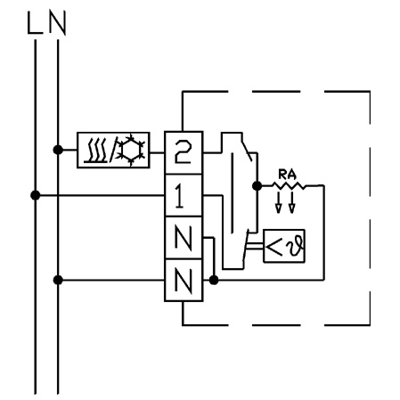
Regulación sobre válvula o ventilador en instalaciones de fan-coils a dos tubos.
Con conmutador frío-calor.
| Escala | 5 a 30ºC |
| Alimentación | 220 V / 50 Hz |
| Diferencial | Aprox. 0,5 K |
| Contacto | Conmutado |
| Intensidad permanente | Calefacción: 10(4) A; Refrigeración: 5(2) A |
| Esquema de conexión | Descargar |